Роз'єм ВЧ N-female Bulkhead для кабелів RG-402, SSF-141, Flexiform 402, Kingsignal 670-141SXE), паяння/паяння 3.04.0311
Технічний опис
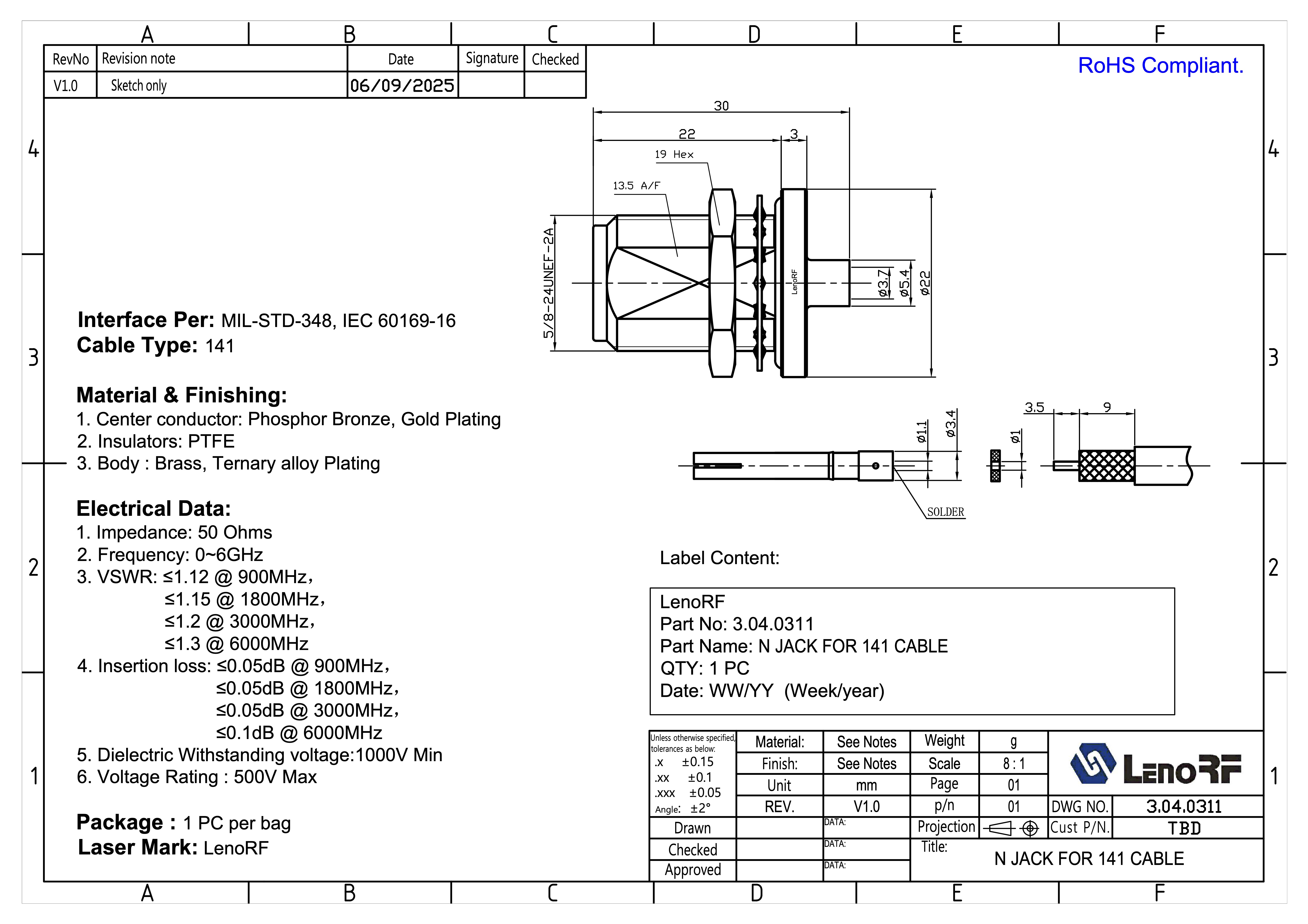
Назва виробу: N Jack for 141 Cable
Артикул: 3.04.0311
Тип виробу: ВЧ-роз’єм N-типу (гніздо) для монтажу на кабель 141
Версія документа: V1.0
Відповідність: RoHS Compliant
Загальна інформація
Роз’єм N Jack для кабелю 141 призначений для підключення жорсткого коаксіального кабелю типу 141 (0.141" Semi-Rigid / Hand-Flex) у високочастотних системах з імпедансом 50 Ом.
Роз’єм відповідає вимогам стандартів MIL-STD-348 та IEC 60169-16, забезпечуючи стабільні електричні параметри до 6 ГГц.
Матеріали та покриття
Центральний контакт: фосфорна бронза, позолота
Ізолятор: PTFE
Корпус: латунь, тринітне покриття (Ternary Alloy Plating)
Електричні характеристики
Хвильовий опір: 50 Ω
Робочий діапазон частот: 0 … 6 ГГц
Показники КСХН (VSWR):
≤ 1.12 @ 900 МГц
≤ 1.15 @ 1800 МГц
≤ 1.20 @ 3000 МГц
≤ 1.30 @ 6000 МГц
Втрати вставки (Insertion Loss):
≤ 0.05 дБ @ 900 МГц
≤ 0.05 дБ @ 1800 МГц
≤ 0.05 дБ @ 3000 МГц
≤ 0.10 дБ @ 6000 МГц
Напругові параметри:
Пробивна напруга: ≥ 1000 В
Робоча напруга: ≤ 500 В
Конструктивні характеристики
Тип з’єднання: різьбове N-типу (гніздо)
Тип кабелю: 141 (зовнішній діаметр ≈ 3.58 мм)
Ключ під гайку: 19 Hex
Розмір шестигранника: 13.5 A/F
Точність виготовлення:
допуск по лінійних розмірах: ±0.15 мм
дрібні розміри: ±0.10 мм
мікророзміри: ±0.05 мм
кутові допуски: ±2°
Маркування і пакування
Лазерне маркування: LenoRF
Пакування: 1 шт. у пакеті
Етикетка містить:
Part No: 3.04.0311
Part Name: N JACK FOR 141 CABLE
QTY: 1 PC
Date: WW/YY
Призначення
Роз’єм N Jack для кабелю 141 використовується у високочастотних трактах, де потрібне низьковтратне, стабільне та надійне з’єднання.
Типові сфери застосування:
антенно-фідерні системи
телекомунікаційні модулі
базові станції
тестово-вимірювальна апаратура
радіочастотні підсилювачі
лабораторні високочастотні стенди
Високоточна обробка та якісні покриття забезпечують довговічність з’єднання та стабільні параметри до 6 ГГц.\

- Серія, тип N-type
- Марка кабелю RG402
- Діапазон робочих частот, МГц 6000
- Гарантія 12 м.
- Поки що коментарів нема. Будьте першими!

