Роз'єм ВЧ N-male фланцевий, кріплення 4 гвинти, для 3.04.0324
Технічний опис
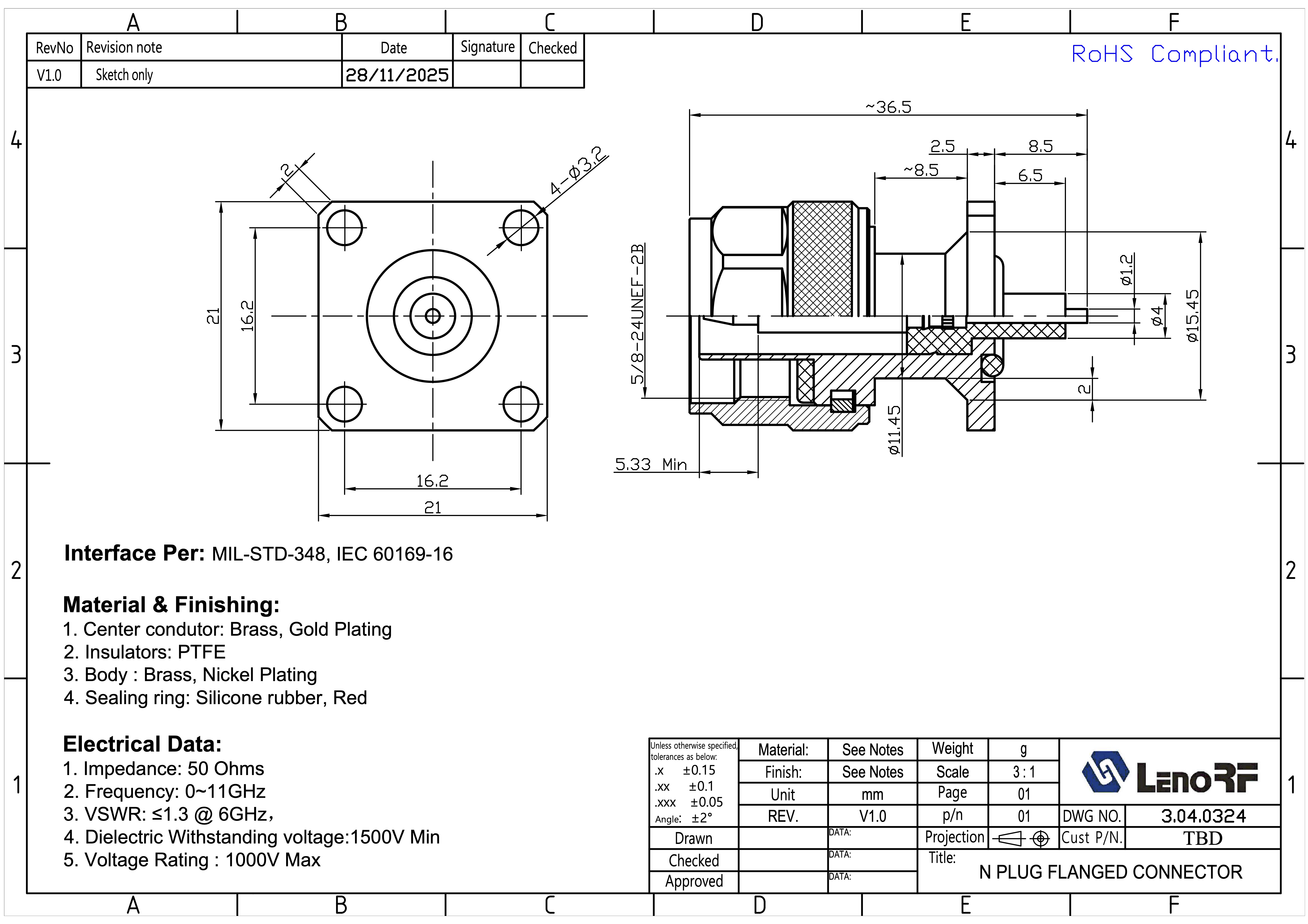
Назва виробу: N Plug Flanged Connector
Артикул: 3.04.0324
Тип виробу: ВЧ-роз’єм N-типу (вилка), фланцеве виконання
Тип монтажу: панельний, фланцевий
Інтерфейс: MIL-STD-348, IEC 60169-16
Версія документа: V1.0
Дата: 28.11.2025
Відповідність: RoHS Compliant
Загальна інформація
Роз’єм N Plug Flanged Connector призначений для жорсткого панельного монтажу за допомогою фланця та застосовується у високочастотних трактах з хвильовим опором 50 Ом.
Фланцеве виконання з чотирма монтажними отворами забезпечує надійну механічну фіксацію роз’єму на корпусі обладнання та стійкість до вібрацій.
Роз’єм розрахований на роботу в розширеному частотному діапазоні до 11 ГГц, що робить його придатним для професійних і промислових RF-систем.
Матеріали та покриття
Центральний контакт: латунь, позолота
Ізолятор: PTFE
Корпус: латунь, нікельоване покриття
Ущільнювальне кільце: силіконова гума, червоного кольору
Електричні характеристики
Хвильовий опір: 50 Ом
Робочий діапазон частот: 0 – 11 ГГц
Параметри КСХН (VSWR):
≤ 1.3 @ 6 ГГц
Напруга:
Випробувальна (Dielectric Withstanding Voltage): ≥ 1500 В
Робоча (Voltage Rating): ≤ 1000 В
Конструктивні характеристики
Тип роз’єму: N Plug (вилка)
Виконання: фланцеве
Кількість монтажних отворів: 4
Різьба інтерфейсу: 5/8"-24 UNEF-2B
Мінімальна довжина розділення: 5.33 мм
Орієнтовна загальна довжина: ~36.5 мм
Діаметр корпусу: ~11.45 мм
Одиниці вимірювання: мм
Допуски виготовлення:
.x ±0.15 мм
.xx ±0.10 мм
.xxx ±0.05 мм
Кутові допуски: ±2°
Маркування та пакування
Маркування: відповідно до стандартів LenoRF
Пакування: 1 шт. в індивідуальному пакеті
Призначення
Роз’єм N Plug Flanged Connector використовується у:
антенно-фідерних системах;
телекомунікаційному обладнанні;
базових станціях і радіорелейних лініях;
професійних RF-пристроях;
вимірювальній та лабораторній апаратурі.
Фланцеве кріплення, нікельований корпус і позолочений центральний контакт забезпечують високу механічну міцність, стабільні ВЧ-параметри та тривалий термін експлуатації навіть у складних умовах.

- Серія, тип N-type
- Марка кабелю PCB
- Діапазон робочих частот, МГц до 11 ГГц
- Гарантія 12 м.
- Поки що коментарів нема. Будьте першими!

