Роз'єм ВЧ SMA-female фланцевий з подовженим штиром для PCB 4HF 3.01.400
Технічний опис
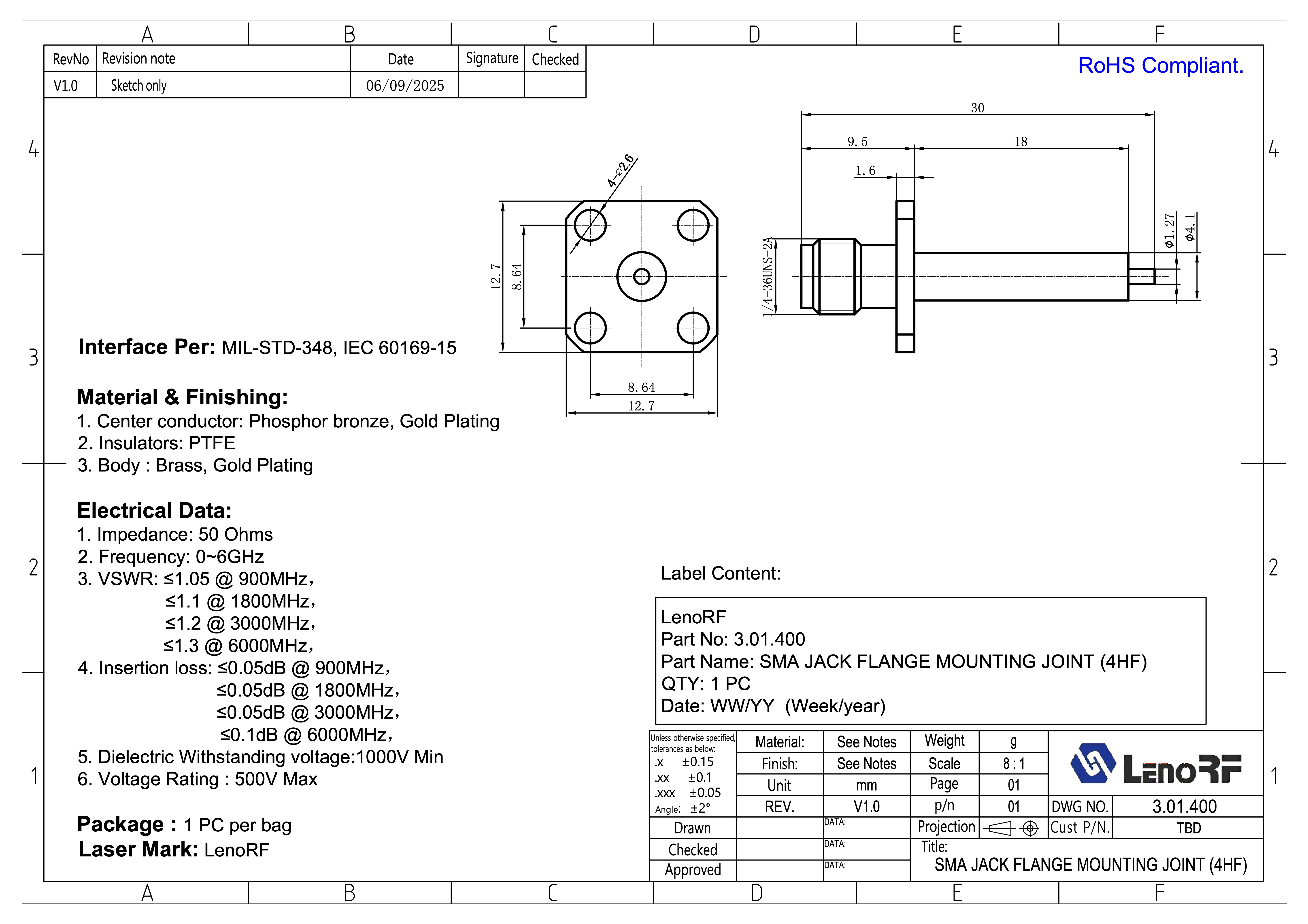
Назва виробу: SMA Jack Flange Mounting Joint (4HF)
Номер виробу: 3.01.400
Виробник: LenoRF
Версія документа: V1.0
Відповідність: RoHS Compliant
Загальна інформація
Тип роз’єму: SMA-гніздо (Jack), панельного виконання
Тип кріплення: фланцеве (Flange Mount, 4 отвори)
Інтерфейс: MIL-STD-348, IEC 60169-15
Маркування: лазерне — LenoRF
Кількість у пакуванні: 1 шт.
Етикетка:
LenoRF
Part No: 3.01.400
Part Name: SMA JACK FLANGE MOUNTING JOINT (4HF)
QTY: 1 PC
Date: WW/YY (тиждень/рік)
Матеріали та покриття
| Компонент | Матеріал | Покриття / Обробка |
|---|---|---|
| Центральний контакт | Фосфорна бронза | Позолота (Gold Plating) |
| Ізолятор | PTFE (фторопласт) | — |
| Корпус | Латунь | Позолота (Gold Plating) |
Електричні характеристики
Хвильовий опір: 50 Ом
Робочий діапазон частот: 0 ~ 6 ГГц
КСХН (VSWR):
≤1.05 @ 900 МГц
≤1.10 @ 1800 МГц
≤1.20 @ 3000 МГц
≤1.30 @ 6000 МГц
Втрати вставки (Insertion Loss):
≤0.05 дБ @ 900 МГц
≤0.05 дБ @ 1800 МГц
≤0.05 дБ @ 3000 МГц
≤0.10 дБ @ 6000 МГц
Випробувальна напруга: ≥1000 В
Робоча напруга: ≤500 В
Конструктивні характеристики
Тип монтажу: фланцевий (4 монтажні отвори)
Тип різьби: 1/4-36 UNS-2A
Габарити:
Висота фланця: 12.7 мм
Діаметр корпусу: 8.64 мм
Діаметр отворів під гвинти: Ø2.6 мм
Відстань між центрами отворів: 9.5 мм
Загальна довжина: 18 мм
Маса: TBD (згідно моделі)
Прецизійна обробка: забезпечує стабільність характеристик і низькі втрати сигналу навіть при високих частотах
Екологічна відповідність
RoHS Compliant: не містить свинцю, кадмію, ртуті та інших шкідливих речовин
Пакування
Тип пакування: індивідуальний поліетиленовий пакет
Кількість: 1 шт.
Маркування: відповідно до стандартів LenoRF
Призначення
Роз’єм SMA Jack Flange Mounting Joint (4HF) призначений для монтажу на панелі або корпусі пристрою, де потрібне надійне ВЧ-з’єднання.
Він забезпечує стабільну роботу в широкому частотному діапазоні до 6 ГГц, низький рівень відбиття сигналу та високий електричний контакт завдяки позолоченим поверхням.
Типове застосування — антени, телекомунікаційне, вимірювальне, лабораторне та випробувальне обладнання.

- Серія, тип SMA-type
- Марка кабелю PCB
- Гарантія 12 м.
- Поки що коментарів нема. Будьте першими!

